文章 2022-06-13 来自:开发者社区

STM32第六章-定时器详解

定时器(Timer)最基本的功能就是定时了,比如定时发送 USART 数据、定时采集 AD数据等等。如果把定时器与 GPIO 结合起来使用的话可以实现非常丰富的功能,可以测量输入信号的脉冲宽度,可以生产输出波形。定时器生产 PWM 控制电机状态是工业控制普遍方法,这方面知识非常有必要深入了解。STM32F4xx系列控制器有 2 个高级控制定时器、10 个通用定时器和 2 个基本定时器。这里通用定....

STM32第六章-定时器详解
文章 2021-12-17 来自:开发者社区

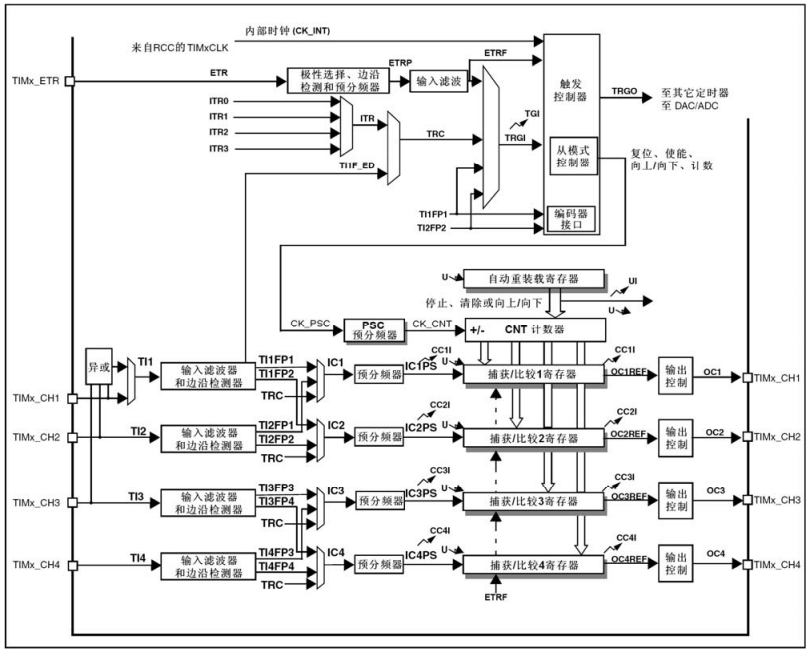
如何计算STM32定时器、独立看门狗和窗口看门狗

目录1、基本、通用类型定时器2、独立看门狗定时器3、窗口看门狗定时器 之前分享了STM32 GPIO的原理、特性、选型和配置、如何计算RTC时钟异步预分频和同步预分频,这次简要阐述STM32L011微控制器定时器的参数配置(其他型号大同小异,本文侧重讲解配置,至于各类定时器的特点后续再述),STM32定时器种类繁多有通用定时器、基本定时器、独立看门狗定时器、窗口看门狗定时器等。1、基本、通用类型....

如何计算STM32定时器、独立看门狗和窗口看门狗
文章 2018-11-27 来自:开发者社区

ARM | STM32F10xxx课堂学习笔记(时钟 & 高级控制定时器)

时钟 STM32F10xxx参考手册中文版 6.2 时钟 peripheral n.外部设备PCLK1 低速外设时钟PCLK2 高速外设时钟RC 阻容...振荡器 RTC Real time clock 实时时钟 prescaler 预分频器;预定标器/x 即X分频PLLSRC 选择信号TIM 定时器TIM2,3,4,5,6,7由APB1决定(判断...

文章 2017-06-01 来自:开发者社区

STM32-通用定时器基本定时功能

1.     STM32的Timer简介 STM32中一共有11个定时器,其中2个高级控制定时器,4个普通定时器和2个基本定时器,以及2个看门狗定时器和1个系统嘀嗒定时器。其中系统嘀嗒定时器是前文中所描述的SysTick,看门狗定时器以后再详细研究。今天主要是研究剩下的8个定时器。 定时器 计数器分辨率 计数器类型 预分频系数 产生DMA请求 捕获...

文章 2017-05-21 来自:开发者社区

[stm32] STM32的通用定时器TIMx系统了解

    通用定时器(TIMx)   一、TIMx简介 二、TIMx主要功能 三、TIMx功能描述 3.1 时基单元 3.2 计数器模式 3.3 时钟选择 3.4 捕获/比较通道 3.5 输入捕获模式 3.6 PWM输入模式 3.7 强置输出模式 3.8 输出比较模式 3.9 PWM 模式 3.10 单脉冲模式 四、简单例子理解TIMx 4...

[stm32] STM32的通用定时器TIMx系统了解
文章 2017-04-21 来自:开发者社区

STM32学习笔记(五)——通用定时器计数延时

STM32定时器概述 STM32F40x系列总共最多有14个定时器,定时器分为三类:基本定时器、通用定时器和高级定时器。它们的都是通过计数来达到定时的目的,和51的定时器差不多,基本原理都是一样的,就是功能多了一些,这些计数器都是自动重新装载初值的,使用起来非常方便,而且计数时钟频率可以通过分频系数来设置。本文章将介绍使用定时器中断来控制LED间隔1s闪烁。   计数的时钟来源主要有四个...

文章 2016-07-07 来自:开发者社区

手把手之STM32通用定时器(一)

●通用定时器(TM2~TM5)     通用定时器由芯片来管理,可以实现向上计数、向下计数、或者上下同时计数。而且这些定时器还有其他功能:输入捕捉、输出比较、PWM、单脉冲。 ●从手册到流程     定时器的主要模块由一个16/32位计数器及其相关的自动重装寄存器组成。此计数器可以采用递增、递减、递增/递减方式计数,时...

手把手之STM32通用定时器(一)
文章 2016-07-06 来自:开发者社区

手把手之STM32内核定时器

●什么是SysTick     SysTick是一个定时器,这个定时器的特殊之处在于,它是有内核来管理的,因此SysTick也被称作是内核定时器。它完全独立于STM32芯片,无论是哪款芯片都会有SysTick定时器只要芯片的内核一样,那么SysTick的使用方法就一样       &nbs...

手把手之STM32内核定时器
文章 2016-04-21 来自:开发者社区

stm32定时器实现60秒定时秒表

#include "led.h" #include "delay.h" #include "key.h" #include "sys.h" #include "lcd.h" #include "usart.h" #include "timer.h" #include "beep.h" extern u32 sec; int main(void) { de...

文章 2016-04-16 来自:开发者社区

关于stm32定时器的理解

TIM_OCInitStructure.TIM_OCPolarity = TIM_OCPolarity_High; 表面意思是输出控制极性为高,但是意思是定时器输入0,不反相,输出0; 输出控制极性为低,定时器输入0,反相输出1; CC1E控制开关。 #define TIM_OCPolarity_High        ...

本页面内关键词为智能算法引擎基于机器学习所生成,如有任何问题,可在页面下方点击"联系我们"与我们沟通。

IoT

物联网软硬件开发者一站式基地

+关注